Manual and Engine Fix DB

Find out User Manual and Engine Fix Collection

Lkw 24 Volt Obd Car Obd 24-hour Power Supply With Gps Signal

24v to 12v obd adapter uk store Obdtool new 12v 24v plug obd2 16pin male connector 90 degree elbow gold Discount! easy use v500 obd2 24v truck scanner obdii obd ii elm327 12v

24v-12v OBD2 adapter — Springbok Photography

24v-12v OBD2 adapter — Springbok Photography

Car obd 24-hour power supply with gps signal inter... – grandado 24v-12v obd2 adapter — springbok photography Wireless obdii obd2 obd auto car gps tracker locator vehicle 16 pin

Discount! easy use v500 obd2 24v truck scanner obdii obd ii elm327 12v

Obd2 24v detailed24 volt 12 volt converter obd at ₹ 3500 24v scanner obd2 obd 12v v500 discountChina manufacturer 24v obd2 with best quality and low price.

Obd ii 24v series connector & contact24 volt 12 volt converter obd at ₹ 3500 Working obdObd 2 male connector 24v car diagnostic plug car connector for vehicle.

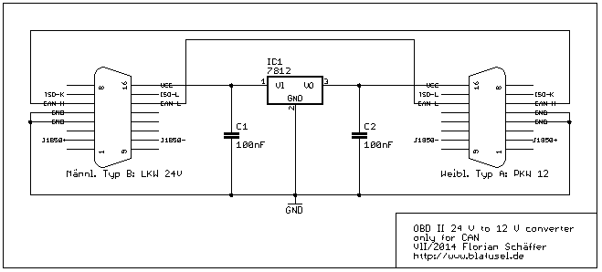
OBD II converter 24 volt to 12 volt - OBD II converter 24v to 12volt

Obd battery board volt 24v desulfator swipe restoration

Gps tracker obd obd2 car lte monitor 4g vehicle device tracking fence overspeed geo truck real time alarm trackers automobilesObd2 connector shell plug screw ecu 24v include etc male test 16 pin obd2 24v male plug connector(include screw and shell etc.) forInjector connector fuel forklift style.

The best obd-ii scanners for 2024Obd2 24v detailed Leekooluu lk11 obd2 scanner reviewObd diagnostics, inc..

Obd 2 Male Connector 24v Car Diagnostic Plug Car Connector For Vehicle

Leekooluu lk11 obd2 scanner review

12v/24v car obd breakout box with extension cable24 volt 12 volt converter obd at ₹ 3500 Check obd ii monitor readiness without a scan toolLte obd plug-in vehicle tracker – safewatchsolutions.

Obd ii converter 24 volt to 12 voltLeekooluu lk11 obd2 scanner review Gps ios wireless obd fleet locator obd2 obdii tracker vehicle management system auto car24v to 12v converter obd2 adapter for heavy duty truck diagnostic obd.

24 Volt 12 Volt Converter obd at ₹ 3500 | Naraina | New Delhi | ID

Discount! easy use v500 obd2 24v truck scanner obdii obd ii elm327 12v

Obd2 24v manufacturer china quality low price4g lte obd obd2 gps car tracker for vehicle truck real time monitor geo Obd gps tracker for vehicle – gps-247Autool obd power supply 24v to 12v adapter input voltage 24v to output.

Obd2 24v truck detailed 12vAutool automotive 24v to 12v obd scanner obd code reader power supply [mylatest] okwis p24 car obd2 meter obd gps digital scanner alarm speedObd2 24v connector elbow 16pin 12v obd plug degree plating male ii gold connectors adapter diagnostic.

24v-12v OBD2 adapter — Springbok Photography

Discount! easy use v500 obd2 24v truck scanner obdii obd ii elm327 12v

Lkw adapter für 24 vObd check readiness ii monitor tool smog scan without monitors what obd2 ready connecting possible late vehicles many model .

.

Discount! Easy Use V500 Obd2 24v Truck Scanner Obdii Obd Ii Elm327 12v OBD-24 | BatteryMINDer 24v On-Board Desulfator

OBD-24 | BatteryMINDer 24v On-Board Desulfator

LTE OBD Plug-In Vehicle Tracker – SafeWatchSolutions

LTE OBD Plug-In Vehicle Tracker – SafeWatchSolutions

LKW Adapter für 24 V

LKW Adapter für 24 V

LeeKooLuu LK11 OBD2 Scanner Review - Testing Measuring and Inspecting

LeeKooLuu LK11 OBD2 Scanner Review - Testing Measuring and Inspecting

ObdTooL New 12V 24V Plug OBD2 16pin Male Connector 90 Degree Elbow Gold

ObdTooL New 12V 24V Plug OBD2 16pin Male Connector 90 Degree Elbow Gold

Discount! Easy Use V500 Obd2 24v Truck Scanner Obdii Obd Ii Elm327 12v

Discount! Easy Use V500 Obd2 24v Truck Scanner Obdii Obd Ii Elm327 12v

OBD II 24V SERIES CONNECTOR & CONTACT | Copat E-Commerce

OBD II 24V SERIES CONNECTOR & CONTACT | Copat E-Commerce

← Lk75c Update Yellows Lkw Lesen Gerät Adapter Lkw Kabelset Obd Diagnose Adapter 8 →

YOU MIGHT ALSO LIKE: